Перейти к содержимому (Нажмите Enter)

Декодер, 16 каналов, RGBW и клапаны

Характеристики
  • Напряжение
    12-24 В DC
  • Мощность общая max при напряжении 24В
    720 Вт
  • Мощность общая max при напряжении 12В
    360 Вт
  • Ток на канал max
    10 А
  • Ток на все каналы max
    30 А
  • Гарантия
    2 года
Арт.: AAD-DEK-016RGBW
Цена: 30 490
Общее описание

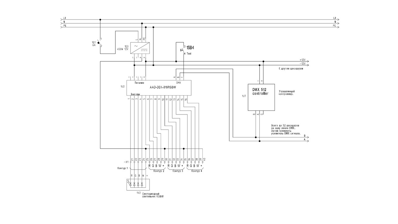
Декодер DMX-PWM-16 служит для преобразования сигнала DMX-512 в постоянное напряжение с широтно-импульсной модуляцией на 16-ти выходах (например, 4 группы RGBW светильников) типа открытый сток. С помощью кнопок ESC (-) и ENTER (+) производится перемещение по меню, изменение режимов и параметров. На светодиодном индикаторе отображаются текущие показания. Выбор меню происходит коротким нажатием кнопки. Вход и выход из меню длинным нажатием. Все параметры сохраняются при отключении питания. 

Меню декодера DMX-PWM-16:

1 - изменение DMX адреса;

2 - =0 рабочий режим, =1 демо режим;

3 - =0 режим светильников, =1 режим клапанов;

4 - =0 - 16 рабочих каналов, =1 - 8 рабочих и 8 байпасных каналов (становиться 8 DMX адресов);

5 - значение ШИМ в режиме клапанов или яркость теста белого цвета в режиме светильников (значение по умолчанию 85);

6 – время работы клапанов на 100% мощности в мс=значение*5. По истечении этого времени на клапаны подается ШИМ сигнал со значением из 5-го меню (по умолчанию 10);

7 – инверсия значений каналов (по умолчанию 0 – без инверсии);

На плате декодера установлен светодиод HL7 монотонное мигание которого индицирует о наличии DMX сигнала.

Внимание! Для подключения декодера необходима брать блок питания с запасом не менее 25%, например 960Вт. 

Пример расчета светильников при подключении к декодеру:

- при использовании 1 группы светильников Astral Optima RGBW 16Вт/24В принимается формула 720Вт/16Вт = 45 светильников (подключается на 4 канала);

- при равномерном использовании 4 групп светильников Astral Optima RGBW 45 светильников/4 группы = 11 светильников;